In the world of internal logistics, the Paso (the distance between hinge pins) defines the capability of your conveyor. Choosing the wrong pitch can lead to product “tipping” at transfer points or premature belt failure under heavy loads.
Here is a technical breakdown of how to match your application to our specialized modular belt categories:

1. Small Pitch (The Precision Specialist)
When your product is small, fragile, or requires a seamless transition between conveyors, Small Pitch (typically 0.5″ / 12.7mm) is the only professional choice.
Key Feature: Minimal chordal action and tight Nose-Bar Transfers.
Ideal para: Small biscuits, candies, pharmaceutical vials, and electronic components.
Solución: If you need to eliminate the “gap” between conveyor sections, explore our Small Pitch Modular Belts.

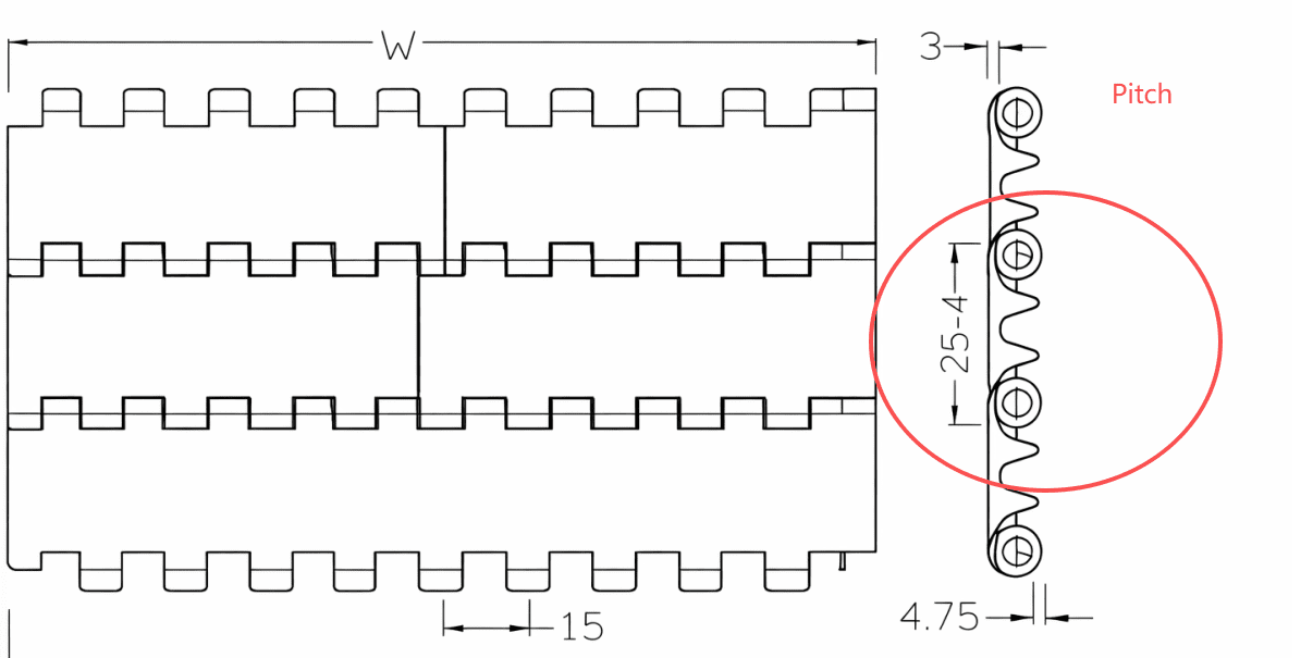
2. Standard Pitch (The Versatile All-Rounder)
El Standard Pitch (typically 1.0″ / 25.4mm) is the backbone of the food processing industry. It strikes the perfect balance between tensile strength and sprocket efficiency.
Key Feature: High versatility and a massive range of surface types (Flat Top, Flush Grid, or Raised Rib).
Ideal para: Fruit & vegetable processing, bottling lines, and packaged snacks.
Solución: For a reliable, easy-to-clean, and cost-effective belt that fits 80% of factory needs, browse our Standard Pitch Modular Belts.

3. Large Pitch (The Heavy-Duty Workhorse)
When the load gets heavy or the conveyor run gets long, you need the brute strength of a Large Pitch (typically 2.0″ / 50.8mm) belt.
Key Feature: Thick modules and heavy-duty pins designed for high-impact and heavy tensile loads.
Ideal para: Crate handling, automotive parts, large bulk materials, and heavy accumulation lines.
Solución: For maximum durability in the toughest environments, view our Large Pitch Modular Belts.


